Product Summary
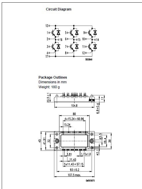
The BSM50GD120DN2 is an IGBT power module.
Parametrics
BSM50GD120DN2 absolute maximum ratings: (1)collector-emitter voltage: 1200V; (2)collector-gate voltage: 1200V; (3)gate-emitter voltage: ±20V; (4)DC collector current: 72A; (5)power dissipation per IGBT: 350W; (6)Storage temperature: -55 to 150℃; (7)chip temperature: 150℃.
Features
BSM50GD120DN2 features: (1)Power module; (2)3-phase full-bridge; (3)Including fast free-wheel diodes; (4)Package with insulated metal base plate.
Diagrams

| Image | Part No | Mfg | Description | ![]() |
Pricing (USD) |
Quantity | ||||||||||
|---|---|---|---|---|---|---|---|---|---|---|---|---|---|---|---|---|
![]() |
![]() BSM50GD120DN2 |
![]() Infineon Technologies |
![]() IGBT Modules 1200V 50A FL BRIDGE |
![]() Data Sheet |
![]()
|
|
||||||||||
![]() |
![]() BSM50GD120DN2E3226 |
![]() Infineon Technologies |
![]() IGBT Modules N-CH 1.2KV 50A |
![]() Data Sheet |
![]()
|
|
||||||||||
![]() |
![]() BSM50GD120DN2G |
![]() Infineon Technologies |
![]() IGBT Modules 1200V 50A 3-PHASE |
![]() Data Sheet |
![]()
|
|
||||||||||
(China (Mainland))









