Product Summary
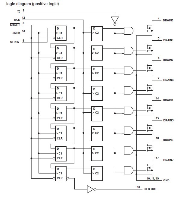
The TPIC6B595N is a monolithic, high-voltage, medium-current power 8-bit shift register. It is designed for use in systems that require relatively high load power. The TPIC6B595N contains a built-in voltage clamp on the outputs for inductive transient protection. Power driver applications include relays, solenoids, and other mediumcurrent or high-voltage loads. This device contains an 8-bit serial-in, parallel-out shift register that feeds an 8-bit D-type storage register. Data transfers through both the shift and storage registers on the rising edge of the shift-register clock (SRCK) and the register clock (RCK), respectively.
Parametrics
TPIC6B595N absolute maximum ratings: (1)logic supply voltage: 7V; (2)logic input voltage range: -0.3 to 7V; (3)power DMOS drain-to-source voltage: 50V; (4)continuous source-to-drain diode anode current: 500mA; (5)pulsed source-to-drain diode anode current: 1A; (6)single-pulse avalanche energy: 30mJ; (7)avalanche current: 500mA.
Features
TPIC6B595N features: (1)Low rDS(on): 5 W Typical; (2)Avalanche Energy: 30 mJ; (3)Eight Power DMOS-Transistor Outputs of 150-mA Continuous Current; (4)500-mA Typical Current-Limiting Capability; (5)Output Clamp Voltage: 50 V; (6)Devices Are Cascadable; (7)Low Power Consumption.
Diagrams

| Image | Part No | Mfg | Description | ![]() |
Pricing (USD) |
Quantity | ||||||||||||
|---|---|---|---|---|---|---|---|---|---|---|---|---|---|---|---|---|---|---|
![]() |
![]() TPIC6B595N |
![]() Texas Instruments |
![]() Counter Shift Registers Power 8-Bit Shift |
![]() Data Sheet |
![]()
|
|
||||||||||||
| Image | Part No | Mfg | Description | ![]() |
Pricing (USD) |
Quantity | ||||||||||||
![]() |
![]() TPIC0107B |
![]() Other |
![]() |
![]() Data Sheet |
![]() Negotiable |
|
||||||||||||
![]() |
![]() TPIC0107BDWP |
![]() |
![]() INTEL H-BRIDGE 180 MOHM 20-HSOIC |
![]() Data Sheet |
![]()
|
|
||||||||||||
![]() |
![]() TPIC0108B |
![]() Other |
![]() |
![]() Data Sheet |
![]() Negotiable |
|
||||||||||||
![]() |
![]() TPIC0108BDWP |
![]() |
![]() INTEL H-BRIDGE 180 MOHM 20-HSOP |
![]() Data Sheet |
![]() Negotiable |
|
||||||||||||
![]() |
![]() TPIC0108BDWPR |
![]() |
![]() INTEL H-BRIDGE 180 MOHM 20-HSOIC |
![]() Data Sheet |
![]() Negotiable |
|
||||||||||||
![]() |
![]() TPIC0298 |
![]() Other |
![]() |
![]() Data Sheet |
![]() Negotiable |
|
||||||||||||
(China (Mainland))










