Product Summary
The BSM200GA120DN2SE3256 is an IGBT Power Module.
Parametrics
BSM200GA120DN2SE3256 absolute maximum ratings: (1)Collector-emitter voltage, VCE: 1200 V; (2)Collector-gate voltage, RGE = 20 kW, VCGR: 1200V; (3)Gate-emitter voltage, VGE: ± 20V; (4)DC collector current, TC = 25℃, IC: 200A; TC = 80℃, IC: 300A; (5)Pulsed collector current, tp = 1 ms, TC = 25℃, ICpuls: 400A; TC = 80℃, ICpuls: 600A; (6)Power dissipation per IGBT, TC = 25℃, Ptot: 1550W; (7)Chip temperature, Tj: + 150℃; (8)Storage temperature, Tstg: -40 to + 125℃.
Features
BSM200GA120DN2SE3256 features: (1)Single switch; (2)Including fast free-wheeling diodes; (3)Package with insulated metal base plate.
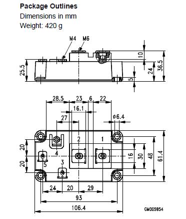
Diagrams

![]() |
![]() BSM200GA120D |
![]() Other |
![]() |
![]() Data Sheet |
![]() Negotiable |
|
||||||||
![]() |
![]() BSM200GA120DLC |
![]() Infineon Technologies |
![]() IGBT Modules 1200V 200A SINGLE |
![]() Data Sheet |
![]()
|
|
||||||||
![]() |
![]() BSM200GA120DLCS |
![]() Infineon Technologies |
![]() IGBT Modules 1200V 200A SINGLE |
![]() Data Sheet |
![]()
|
|
||||||||
![]() |
![]() BSM200GA120DN2 |
![]() Infineon Technologies |
![]() IGBT Modules 1200V 200A SINGLE |
![]() Data Sheet |
![]()
|
|
||||||||
![]() |
![]() BSM200GA120DN2C |
![]() Infineon Technologies |
![]() IGBT Modules IGBT 1200V 200A |
![]() Data Sheet |
![]()
|
|
||||||||
![]() |
![]() BSM200GA120DN2F |
![]() Infineon Technologies |
![]() IGBT Modules IGBT 1200V 200A |
![]() Data Sheet |
![]()
|
|
||||||||
(China (Mainland))








