Product Summary
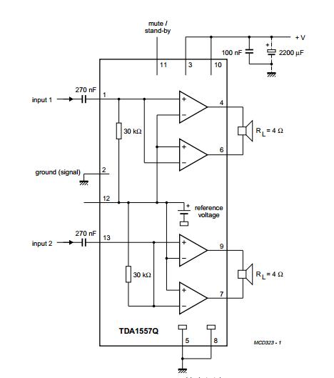
The TDA1557Q is a stereo car radio power amplifier with speaker protection. It is a monolithic integrated class-B output amplifier in a 13-lead single-in-line (SIL) plastic power package. The device contains 2 ′ 22 W amplifiers in BTL configuration and has been primarily developed for car radio applications.
Parametrics
TDA1557Q absolute maximum ratings: (1)positive supply voltage: 18V; (2)AC and DC short-circuit safe voltage: 18V; (3)reverse polarity: 6V; (4)Energy handling capability at outputs: 200mJ; (5)non-repetitive peak output current: 6A; (6)total power dissipation: 60W; (7)junction temperature: 150℃.
Features
TDA1557Q features: (1)High output power; (2)Low offset voltage at output; (3)Fixed gain; (4)Good ripple rejection; (5)Mute/stand-by switch; (6)Load dump protection; (7)AC and DC short-circuit-safe to ground and Thermally protected; (8)Reverse polarity safe; (9)Capability to handle high energy on outputs (VP = 0).
Diagrams

| Image | Part No | Mfg | Description | ![]() |
Pricing (USD) |
Quantity | ||||
|---|---|---|---|---|---|---|---|---|---|---|
![]() |
![]() TDA1557Q |
![]() Other |
![]() |
![]() Data Sheet |
![]() Negotiable |
|
||||
![]() |
![]() TDA1557Q/N2,112 |
![]() NXP Semiconductors |
![]() Audio Amplifiers 2X22 W BTL AUDIO |
![]() Data Sheet |
![]() Negotiable |
|
||||
![]() |
![]() TDA1557QU |
![]() NXP Semiconductors |
![]() Audio Amplifiers 2X22 W BTL AUDIO POWER AMP |
![]() Data Sheet |
![]() Negotiable |
|
||||
(China (Mainland))










