Product Summary
The SKKT253/16E is a diode module. Its applications include DC motor control, AC motor starters, temperature control, professional light dimming.
Parametrics
SKKT253/16E absolute maximum ratings: (1)ITAV: 253A; (2)ID: 387A; (3)IRMS: 465A; (4)ITSM: 9000A; (5)VT: max. 16V; (6)VT: max. 0.85A.
Features
SKKT253/16E features: (1)heat transfer through aluminium nitride ceramic isolated metal baseplate; (2)chip soldered on direct copper bonded AL2O3 ceramic; (3)thyristor with amplifying gate; (4)UL recognized, file no.E 63 532.
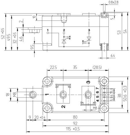
Diagrams

![]() |
![]() SKKT 213 |
![]() Other |
![]() |
![]() Data Sheet |
![]() Negotiable |
|
||||
![]() |
![]() SKKT 253 |
![]() Other |
![]() |
![]() Data Sheet |
![]() Negotiable |
|
||||
![]() |
![]() SKKT 56 |
![]() Other |
![]() |
![]() Data Sheet |
![]() Negotiable |
|
||||
![]() |
![]() SKKT 57 |
![]() Other |
![]() |
![]() Data Sheet |
![]() Negotiable |
|
||||
![]() |
![]() SKKT 57B |
![]() Other |
![]() |
![]() Data Sheet |
![]() Negotiable |
|
||||
![]() |
![]() SKKT105 |
![]() Other |
![]() |
![]() Data Sheet |
![]() Negotiable |
|
||||
(China (Mainland))








