Product Summary
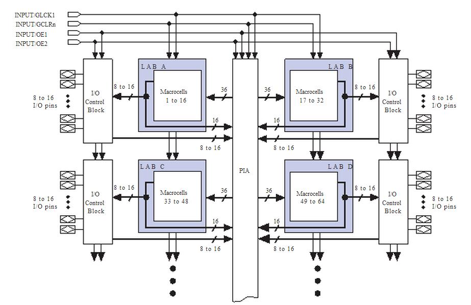
The EPM7064LC68-15N is a programmable logic device. The MAX 7000 family of high-density, high-performance PLDs is based on Altras second-generation MAX architecture. The EPM7064LC68-15N supports 100% TTL emulation and high-density integration of SSI, MSI, and LSI logic functions. The EPM7064LC68-15N easily integrates multiple devices ranging from PALs, GALs, and 22V10s to MACH and pLSI devices.
Parametrics
EPM7064LC68-15N absolute maximum ratings: (1)supply voltage: 7V; (2)DC input voltage: 7V; (3)DC output current: 25mA; (4)storage temperature: -65 to 150℃; (5)ambient temperature: -65 to 135℃; (6)junction temperature: 150℃.
Features
EPM7064LC68-15N features: (1)high-performance, EEPROM-based programmable logic devices; (2)5V in-system programmability through the built-in IEEE JTAG interface available in MAX 7000S devices; (3)Built-in JTAG circuitry in MAX 7000S devices with 128 or more macrocells; (4)complete EPLD family with logic densities ranging from 600 to 5000 usable gates; (5)PCI-compliant devices available.
Diagrams

![]() |
![]() EPM7032AE |
![]() Other |
![]() |
![]() Data Sheet |
![]() Negotiable |
|
||||||
![]() |
![]() EPM7032AELC44-10 |
![]() |
![]() IC MAX 7000 CPLD 32 44-PLCC |
![]() Data Sheet |
![]()
|
|
||||||
![]() |
![]() EPM7032AELC44-10N |
![]() |
![]() IC MAX 7000 CPLD 32 44-PLCC |
![]() Data Sheet |
![]()
|
|
||||||
![]() |
![]() EPM7032AELC44-4 |
![]() |
![]() IC MAX 7000 CPLD 32 44-PLCC |
![]() Data Sheet |
![]()
|
|
||||||
![]() |
![]() EPM7032AELC44-4N |
![]() |
![]() IC MAX 7000 CPLD 32 44-PLCC |
![]() Data Sheet |
![]()
|
|
||||||
![]() |
![]() EPM7032AELC44-7 |
![]() |
![]() IC MAX 7000 CPLD 32 44-PLCC |
![]() Data Sheet |
![]()
|
|
||||||
(China (Mainland))









