Product Summary
The ZOV-10D821K is a detal oxide varistor. Its applications include power supplies, power systems, line voltage, telecom systems, white goods/applicances. The ZOV-10D821K protects against overvoltage transients such as lightning, power contact and power induction. The metal oxide varistors offer a choice of varistor voltages from 18 V to 820 V and Vrms voltages from 11 V to 510 V.
Parametrics
ZOV-10D821K absolute maximum ratings: (1)Operating temperature: -40 to 85℃; (2)storage temperature: -40 to 125℃; (3)rated wattage: 0.4W; (4)Varistor voltage temperature coefficient: 0.05%/℃; (5)response time: 25ns; (6)varistor voltage tolerance: 10%.
Features
ZOV-10D821K features: (1)High voltage rating; (2)High current rating; (3)Bidirectional; (4)Surge protection; (5)Fast response time; (6)RoHS compliant.
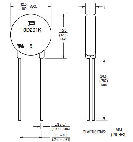
Diagrams

(China (Mainland))






