Product Summary
The TMS320F2811PBKA is a Digital Signal Processor.
Parametrics
TMS320F2811PBKA absolute maximum ratings: (1)Supply voltage range, VDDIO, VDDA1, VDDA2, VDDAIO, and AVDDREFBG : -0.3V to 4.6V; (2)Supply voltage range, VDD, VDD1: -0.5V to 2.5V; (3)VDD3VFL range: -0.3V to 4.6V ; (4)Input voltage range, VIN: -0.3V to 4.6V; (5)Output voltage range, VO: -0.3V to 4.6V; (6)Input clamp current, IIK (VIN < 0 or VIN > VDDIO):±20 mA; (7)Output clamp current, IOK (VO < 0 or VO > VDDIO): ±20 mA; (8)Operating ambient temperature ranges, TA: A version (GHH, PGF, PBK): -40 to 85℃; (9)Storage temperature range, Tstg: -65 to 150℃.
Features
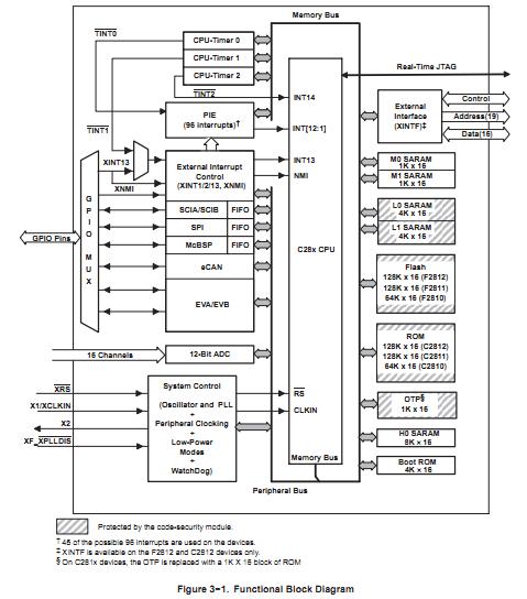
TMS320F2811PBKA features: (1)High-Performance Static CMOS Technology; (2)16 x 16 and 32 x 32 MAC Operations; (3)16 x 16 Dual MAC; (4)Harvard Bus Architecture; (5)Atomic Operations; (6)Fast Interrupt Response and Processing; (7)Unified Memory Programming Model; (8)4M Linear Program/Data Address Reach; (9)Code-Efficient (in C/C++ and Assembly); (10)Flash Devices: Up to 128K x 16 Flash (Four 8K x 16 and Six 16K x 16 Sectors); (11)ROM Devices: Up to 128K x 16 ROM; (12)1K x 16 OTP ROM; (13)L0 and L1: 2 Blocks of 4K x 16 Each Single-Access RAM (SARAM); (14)H0: 1 Block of 8K x 16 SARAM; (15)M0 and M1: 2 Blocks of 1K x 16 Each SARAM; (16)Over 1M x 16 Total Memory; (17)Programmable Wait States; (18)Programmable Read/Write Strobe Timing; (19)Three Individual Chip Selects; (20)2 x 8 Channel Input Multiplexer; (21)Two Sample-and-Hold; (22)Single/Simultaneous Conversions; (23)Fast Conversion Rate: 80 ns/12.5 MSPS.
Diagrams

| Image | Part No | Mfg | Description | ![]() |
Pricing (USD) |
Quantity | ||||||||||||
|---|---|---|---|---|---|---|---|---|---|---|---|---|---|---|---|---|---|---|
![]() |
![]() TMS320F2811PBKA |
![]() Texas Instruments |
![]() Digital Signal Processors & Controllers (DSP, DSC) 32-Bit Digital Sig Controller w/Flash |
![]() Data Sheet |
![]()
|
|
||||||||||||
| Image | Part No | Mfg | Description | ![]() |
Pricing (USD) |
Quantity | ||||||||||||
![]() |
![]() TMS3112 |
![]() Other |
![]() |
![]() Data Sheet |
![]() Negotiable |
|
||||||||||||
![]() |
![]() TMS3121 |
![]() Other |
![]() |
![]() Data Sheet |
![]() Negotiable |
|
||||||||||||
![]() |
![]() TMS320 |
![]() Other |
![]() |
![]() Data Sheet |
![]() Negotiable |
|
||||||||||||
![]() |
![]() TMS32010 |
![]() Other |
![]() |
![]() Data Sheet |
![]() Negotiable |
|
||||||||||||
![]() |
![]() TMS320AV7110 |
![]() Other |
![]() |
![]() Data Sheet |
![]() Negotiable |
|
||||||||||||
![]() |
![]() TMS320BC51PQ100 |
![]() Texas Instruments |
![]() Digital Signal Processors & Controllers (DSP, DSC) TMS320C51PQ - 132QFP - 100MHZ/BOOT CODE |
![]() Data Sheet |
![]() Negotiable |
|
||||||||||||
(China (Mainland))










