Product Summary
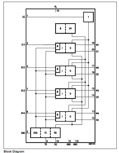
The FZL4146G is a Bipolar IC. The IC comprises four driver circuits capable of driving power transistors (PNP or PMOS). The output transistors are protected against short-circuit to ground and supply voltage. The turn-ON threshold can be set from 1.5 V to 7 V. Overload at one or several outputs will be indicated at pin SQ (signaling output). The corresponding power transistors are then protected by changeover to clock-governed operation.
Parametrics
FZL4146G absolute maixmum ratings: (1)Supply voltage, VS: -0.3 to 40V; (2)Reverse supply current in GND, IGND: 0.5A; (3)Input voltage at DI, ENA, TS, VDI, ENA, TS: -5 to 40V; (4)Input voltage at DI, ENA, TS, VDI, ENA, TS: -5 to 45V; (5)Output voltage Q, VQ: VS-8 to VS.
Features
FZL4146G features: (1)Short-circuit signaling; (2)Four driver circuits for driving power transistors; (3)Turn-ON threshold setting from 1.5 to 7 V.
Diagrams

| Image | Part No | Mfg | Description | ![]() |
Pricing (USD) |
Quantity | ||||||||||
|---|---|---|---|---|---|---|---|---|---|---|---|---|---|---|---|---|
![]() |
![]() FZL4146G GEG |
![]() Infineon Technologies |
![]() Power Driver ICs INDUSTRIAL IC'S |
![]() Data Sheet |
![]() Negotiable |
|
||||||||||
![]() |
![]() FZL4146GGEGXT |
![]() Infineon Technologies |
![]() Power Driver ICs Quad Driver |
![]() Data Sheet |
![]()
|
|
||||||||||
(China (Mainland))









