Product Summary
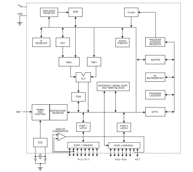
The AT89C2051-24PU is an 8-bit microcontroller with 2K bytes flash. The AT89C2051-24PU provides the following standard features: 2K bytes of Flash, 128 bytes of RAM, 15 I/O lines, two 16-bit timer/counters, a five vector two-level interrupt architecture, a full duplex serial port, a precision analog comparator, on-chip oscillator and clock circuitry. By combining a versatile 8-bit CPU with Flash on a monolithic chip, the AT89C2051-24PU is a powerful microcomputer which provides a highly-flexible and cost-effective solution to many embedded control applications.
Parametrics
AT89C2051-24PU absolute maximum ratings: (1)operating temperature: -55 to 125℃; (2)storage temperature: -65 to 150℃; (3)voltage on any pin with respect to ground: -1 to 7V; (4)maximum operating voltage: 6.6V; (5)DC output current: 25mA.
Features
AT89C2051-24PU features: (1)Compatible with MCS?-51Products; (2)2K Bytes of Reprogrammable Flash Memory, Endurance: 1,000 Write/Erase Cycles; (3)2.7V to 6V Operating Range; (4)Fully Static Operation: 0 Hz to 24 MHz; (5)Two-level Program Memory Lock; (6)128 x 8-bit Internal RAM; (7)15 Programmable I/O Lines; (8)Two 16-bit Timer/Counters; (9)Six Interrupt Sources; (10)Programmable Serial UART Channel; (11)Direct LED Drive Outputs; (12)On-chip Analog Comparator; (13)Low-power Idle and Power-down Modes; (14)Green (Pb/Halide-free) Packaging Option.
Diagrams

| Image | Part No | Mfg | Description | ![]() |
Pricing (USD) |
Quantity | ||||||||||||
|---|---|---|---|---|---|---|---|---|---|---|---|---|---|---|---|---|---|---|
![]() |
![]() AT89C2051-24PU |
![]() Atmel |
![]() 8-bit Microcontrollers (MCU) 2kB Flash 128B RAM 24MHz 2.7V-6.0V |
![]() Data Sheet |
![]()
|
|
||||||||||||
| Image | Part No | Mfg | Description | ![]() |
Pricing (USD) |
Quantity | ||||||||||||
![]() |
![]() AT8934 |
![]() TE Connectivity |
![]() General Purpose / Industrial Relays SEALED R RELAY |
![]() Data Sheet |
![]()
|
|
||||||||||||
![]() |
![]() AT8985P |
![]() Other |
![]() |
![]() Data Sheet |
![]() Negotiable |
|
||||||||||||
![]() |
![]() AT8989UP |
![]() Other |
![]() |
![]() Data Sheet |
![]() Negotiable |
|
||||||||||||
![]() |
![]() AT8992-A2-T-1 |
![]() |
![]() IC SWITCH PHY 64-TQFP |
![]() Data Sheet |
![]() Negotiable |
|
||||||||||||
![]() |
![]() AT8992M-A2-T-1 |
![]() |
![]() IC SWITCH PHY 100-MQFP |
![]() Data Sheet |
![]() Negotiable |
|
||||||||||||
![]() |
![]() AT8993-A2-T-1 |
![]() |
![]() IC SWITCH PHY 100-MQFP |
![]() Data Sheet |
![]() Negotiable |
|
||||||||||||
(China (Mainland))










