Product Summary
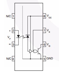
The 6N137 is a high speed logic gate optocoupler. It is optically coupled to a very high speed integrated photo-detector logic gate with a strobable output. This output features an open collector, thereby permitting wired OR outputs. The coupled parameters are guaranteed over the temperature range of -40°C to +85°C. A maximum input signal of 5mA will
provide a minimum output sink current of 13mA (fan out of 8). The applications of the 6N137 include Ground loop elimination, LSTTL to TTL, LSTTL or 5-volt CMOS, Line receiver, data transmission, Data multiplexing, Switching power supplies, Pulse transformer replacement, Computer-peripheral interface.
Parametrics
6N137 absolute maximum ratings: (1)storage temperature;-55 to 125℃; (2)operating temperature: -40 to 85℃; (3)lead solder temperature: 260℃ for 10 sec; (4)DC/average forward: 50mA; (5)Input current: 30mA; (6)reverse input voltage: 5V; (7)power dissipation: 100mW.
Features
6N137 features: (1)Very high speed – 10 MBit/s; (2)Superior CMR – 10 kV/μs; (3)Double working voltage-480V; (4)Fan-out of 8 over -40°C to +85°C; (5)Logic gate output; (6)Strobable output; (7)Wired OR-open collector; (8)U.L. recognized (File # E90700).
Diagrams

| Image | Part No | Mfg | Description | ![]() |
Pricing (USD) |
Quantity | ||||||||||||||||||||||
|---|---|---|---|---|---|---|---|---|---|---|---|---|---|---|---|---|---|---|---|---|---|---|---|---|---|---|---|---|
![]() |
![]() 6N137 |
![]() Fairchild Semiconductor |
![]() High Speed Optocouplers DIP-8 HS LOGIC GATE |
![]() Data Sheet |
![]()
|
|
||||||||||||||||||||||
![]() |
![]() 6N137#020 |
![]() Avago Technologies |
![]() High Speed Optocouplers 10 Mb/s 5000Vrms |
![]() Data Sheet |
![]()
|
|
||||||||||||||||||||||
![]() |
![]() 6N137#060 |
![]() Avago Technologies |
![]() High Speed Optocouplers 10 Mb/s 3750Vrms |
![]() Data Sheet |
![]()
|
|
||||||||||||||||||||||
![]() |
![]() 6N137#300 |
![]() Avago Technologies |
![]() High Speed Optocouplers 10 Mb/s 3750Vrms |
![]() Data Sheet |
![]()
|
|
||||||||||||||||||||||
![]() |
![]() 6N137#320 |
![]() Avago Technologies |
![]() High Speed Optocouplers 10 Mb/s 5000Vrms |
![]() Data Sheet |
![]()
|
|
||||||||||||||||||||||
![]() |
![]() 6N137#500 |
![]() Avago Technologies |
![]() High Speed Optocouplers 10 Mb/s 3750Vrms |
![]() Data Sheet |
![]()
|
|
||||||||||||||||||||||
![]() |
![]() 6N137#520 |
![]() Avago Technologies |
![]() High Speed Optocouplers 10 Mb/s 5000Vrms |
![]() Data Sheet |
![]()
|
|
||||||||||||||||||||||
![]() |
![]() 6N137(F) |
![]() |
![]() PHOTOCOUPLER HS TRANS-OUT 8DIP |
![]() Data Sheet |
![]()
|
|
||||||||||||||||||||||
(China (Mainland))











