Product Summary
The 29F160TE-90PFTN is a 16M-bit, 5.0 V-only Flash memory organized as 2M bytes of 8 bits each or 1M words of 16 bits each. The MBM29F160TE/BE is offered in a 48-pin TSOP (I) package. The 29F160TE-90PFTN is designed to be programmed in-system with the standard system 5.0 V VCC supply. 12.0 V VPP is not required for write or erase operations. The device can also be reprogrammed in standard EPROM programmers. The standard MBM29F160TE/BE offers access times of 55 ns, 70 ns and 90 ns, allowing operation of high-speed microprocessors without wait states.
Parametrics
29F160TE-90PFTN absolute maximum ratings: (1)storage temperature: -55 to 125℃; (2)ambient temperature with power applied: -40 to 85℃; (3)voltage with respect to ground all pins except A9: -2 to 7V; (4)power supply voltage: -2 to 7V.
Features
29F160TE-90PFTN features: (1)0.23 mm Process Technology; (2)Single 5.0 V read, program and erase Minimizes system level power requirements; (3)Compatible with JEDEC-standard commands Uses same software commands as E2PROMs; (4)Compatible with JEDEC-standard world-wide pinouts 48-pin TSOP (I) (Package suffix: TN-Normal Bend Type, TR-Reversed Bend Type; (5)Minimum 100,000 program/erase cycles.
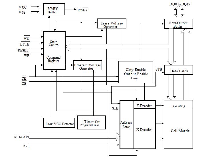
Diagrams

(China (Mainland))






