Product Summary
The SKKT106B/16E is a thyristor. Its applications include DC motor control, AC motor soft starters, temperature control, professional light dimming.
Parametrics
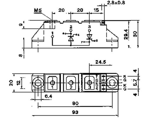
SKKT106B/16E absolute maximum ratings: (1)ITAV: 106A; (2)ID: 145/180A; (3)IRMS: 200/3X140A; (4)ITSM: 2250A; (5)VT: 165V; (6)VGT: 3V; (7)IGT: 150mA; (8)IGD: 6mA; (9)Rthjc: 28℃/W.
Features
SKKT106B/16E features: (1)heat transfer through aluminium oxide ceramic isolated metal baseplate; (2)hard soldered joints for high reliability; (3)UL recognized, file no. E 63 532.
Diagrams

![]() |
![]() SKKT 213 |
![]() Other |
![]() |
![]() Data Sheet |
![]() Negotiable |
|
||||
![]() |
![]() SKKT 253 |
![]() Other |
![]() |
![]() Data Sheet |
![]() Negotiable |
|
||||
![]() |
![]() SKKT 56 |
![]() Other |
![]() |
![]() Data Sheet |
![]() Negotiable |
|
||||
![]() |
![]() SKKT 57 |
![]() Other |
![]() |
![]() Data Sheet |
![]() Negotiable |
|
||||
![]() |
![]() SKKT 57B |
![]() Other |
![]() |
![]() Data Sheet |
![]() Negotiable |
|
||||
![]() |
![]() SKKT105 |
![]() Other |
![]() |
![]() Data Sheet |
![]() Negotiable |
|
||||
(China (Mainland))








