Product Summary
The LGA676-P1Q2-24 is a lead free product. Its applications include indoor and outdoor displays, optical indicators, backlighting(LCD, cellular phones, switches, keys, displays, illuminated advertising, general lighting), interior automotive lighting, marker lights, coupling into light guides, light writing displays, signal and symbol luminaire.
Parametrics
LGA676-P1Q2-24 absolute maximum ratings: (1)operating temperature range: -40 to 100℃; (2)storage temperature range: -40 to 100℃; (3)junction temperature: 125℃; (4)forward current: 30mA; (5)surge current: 0.5A; (6)reverse voltage: 12V.
Features
LGA676-P1Q2-24 features: (1)package: white SMT package, colorless clear resin; (2)feature of the device: radiation direction parallel to PCB, so an ideal LED for coupling into light guides; (3)viewing angle: Lambertian Emitter (120°); (4)technology: InGaAlP?(green, pure,green); (5)grouping parameter: luminous intensity, wavelength; (6)assembly methods: suitable for all SMT assembly methods; (7)soldering methods: IR reflow soldering and TTW soldering; (8)preconditioning: acc. to JEDEC Level 2.
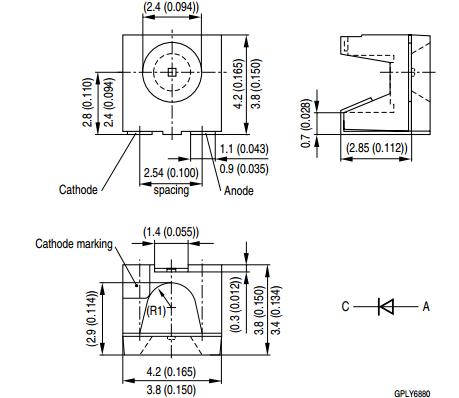
Diagrams

(China (Mainland))






