Product Summary
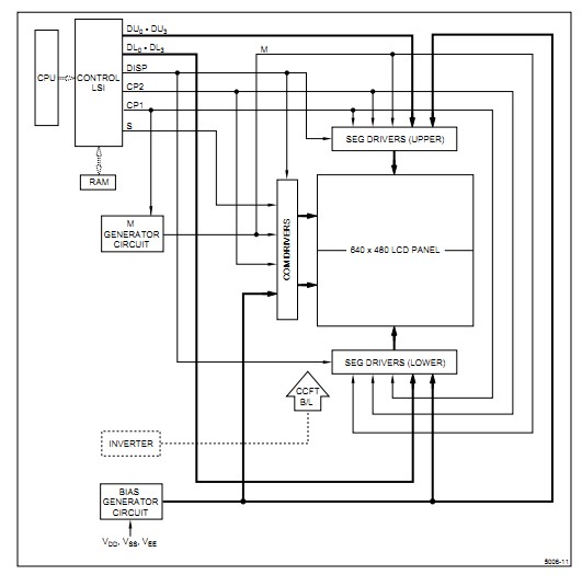
The SHARP LM64P122 is a passive matrix LCD unit consisting of a transmissive LCD panel, Printed Wiring Board (PWB) with electric components mounted on it, Tape Automated Bonding (TAB) to connect the LCD panel and PWB electrically, and a plastic chassis with a CCFT backlight and bezels to fit them mechanically.
Parametrics
LM64P122 absolute maximum ratings: (1)supply voltage(logic): 6V; (2)Supply voltage(LCD drive): 30V; (3)Input voltage: VDDV.
Features
LM64P122 features: (1)Display Format: 640X480; (2)Overall Dimensions: 216 (W) x 152.4 (H) x5.9 (D) mm; (3)Active Area: 167.2 (W) x 126.4 (H) mm; (4)Dot Pitch: 0.235 (W) x 0.235 (H) mm; (5)Response/Contrast Ratio: 150 ms/18:1; (6)Viewing Mode: Transmissive.
Diagrams

![]() |
![]() LM64 |
![]() Other |
![]() |
![]() Data Sheet |
![]() Negotiable |
|
||||||||||||
![]() |
![]() LM64032B |
![]() Other |
![]() |
![]() Data Sheet |
![]() Negotiable |
|
||||||||||||
![]() |
![]() LM641521 |
![]() Other |
![]() |
![]() Data Sheet |
![]() Negotiable |
|
||||||||||||
![]() |
![]() LM64183P |
![]() Other |
![]() |
![]() Data Sheet |
![]() Negotiable |
|
||||||||||||
![]() |
![]() LM642-DA |
![]() Honeywell |
![]() Basic / Snap Action / Limit Switches Foot Switch |
![]() Data Sheet |
![]()
|
|
||||||||||||
![]() |
![]() LM642-S |
![]() Honeywell |
![]() Basic / Snap Action / Limit Switches Foot Switch |
![]() Data Sheet |
![]()
|
|
||||||||||||
(China (Mainland))








