Product Summary
The FF400R12KE3 is an IGBT module.
Parametrics
FF400R12KE3 absolute maximum ratings: (1)collector-emitter voltage: 1200V; (2)DC-collector current: 400A; (3)repetitive peak collector current: 800A; (4)Total power dissipation: 2000W; (5)gate-emitter peak voltage: ±20V.
Features
FF400R12KE3 features: (1)collector-emitter saturation voltage: 200V; (2)Gate threshold voltage: 65V; (3)gate charge: 370Ω; (4)internal gate resistor: 19Ω; (5)collector-emitter cut-off current: 5mA.
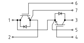
Diagrams

| Image | Part No | Mfg | Description | ![]() |
Pricing (USD) |
Quantity | ||||||||
|---|---|---|---|---|---|---|---|---|---|---|---|---|---|---|
![]() |
![]() FF400R12KE3 |
![]() Infineon Technologies |
![]() IGBT Modules 1200V 400A DUAL HALF BRIDGE |
![]() Data Sheet |
![]()
|
|
||||||||
![]() |
![]() FF400R12KE3_B2 |
![]() Infineon Technologies |
![]() IGBT Modules N-CH 1.2KV 580A |
![]() Data Sheet |
![]()
|
|
||||||||
(China (Mainland))









