Product Summary
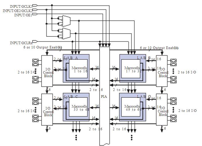
The EPM7128ATC144-10N is a programmable logic device. It is a high-density, high-performance device based on altera secon-generation MAX architecture. Fabricated with advanced CMOS technology, the EPM7128ATC144-10N operates with a 3.3V supply voltage and provide 600 to 1000 usable gates, ISP, pin-to-pin delays as fast as 4.5ns, and counter speeds of up to 227.3 MHz.
Parametrics
EPM7128ATC144-10N absolute maximum ratings: (1)supply voltage: -0.5 to 4.6V; (2)DC input voltage: 5.75V; (3)DC output current: 25mA; (4)storage temperature: -65 to 150℃; (5)ambient temperature: -65 to 135℃; (6)junction temperature: 135℃.
Features
EPM7128ATC144-10N features: (1)3.3-V in-system programmability (ISP) through the built-in IEEE Std. 1149.1 Joint Test Action Group (JTAG) interface with advanced pin-locking capability; (2)Built-in boundary-scan test (BST) circuitry compliant with IEEE Std. 1149.1; (3)Supports JEDEC Jam Standard Test and Programming Language; (4)Pin-compatible with the popular 5.0-V MAX 7000S devices; (5)High-density PLDs ranging from 600 to 10,000 usable gates.
Diagrams

(China (Mainland))






